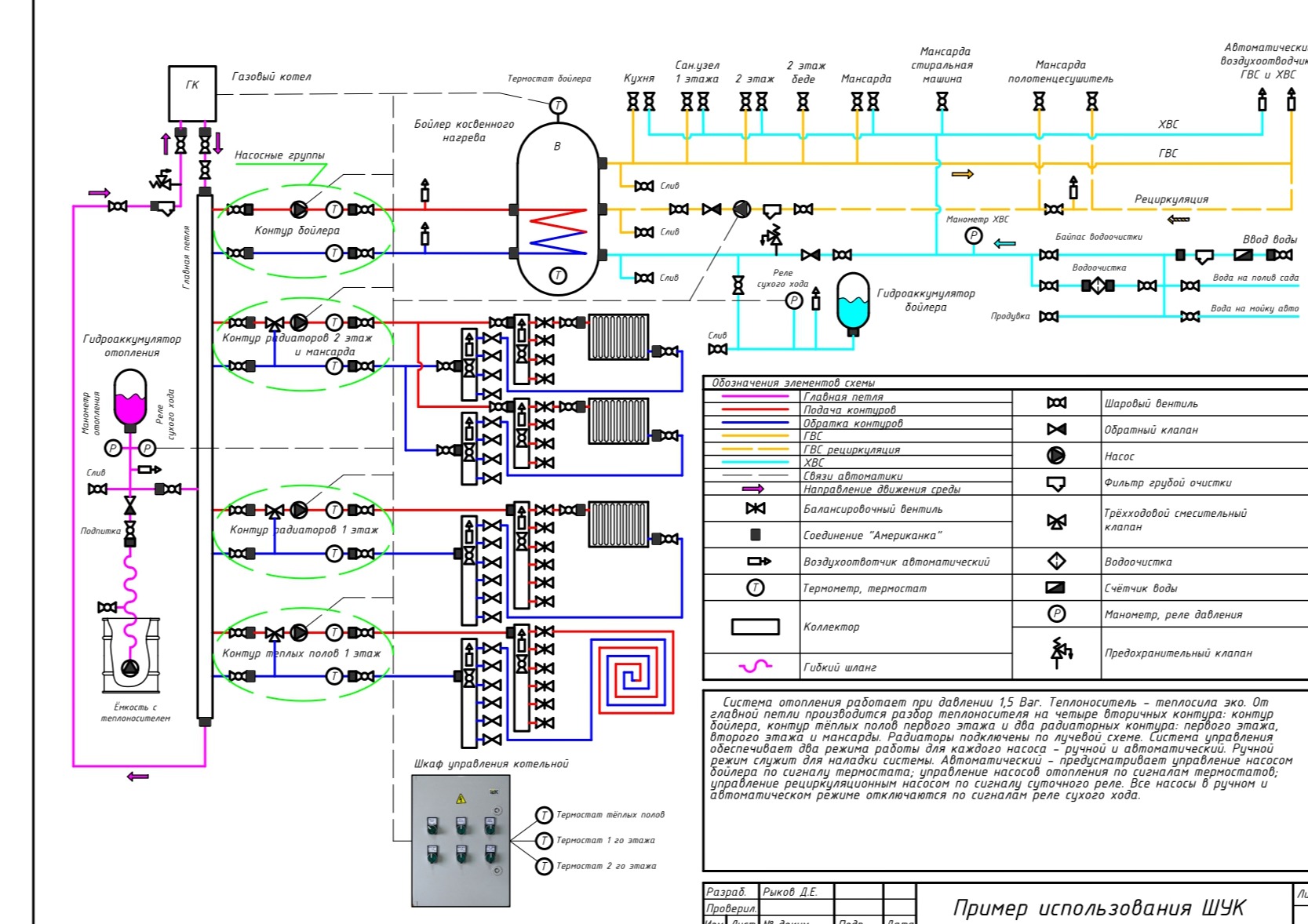
Описание
Шкаф предназначен для управления насосами отопления в ручном и автоматическом режиме по сигналам термостатов, максимальное количество насосов отопления – 3 штуки; для управления насосом рециркуляции в ручном и автоматическом режиме по сигналу суточного реле; для управления насосом бойлерной группы в ручном и автоматическом режиме по сигналу термостата бойлера; для включения – выключения газового котла. Более подробное описание в инструкции по эксплуатации шкафа управления котельной